т. +886-2-278-45675 (1-30)  ф.+886-2-278-45676  e-mail:   info@rgt.tw

ОБОРУДОВАНИЕ ДЛЯ ЛИТЬЯ ПОД ДАВЛЕНИЕМ

 

ЛИТЬЕВЫЕ МАШИНЫ С ХОЛОДНОЙ КАМЕРОЙ ПРЕССОВАНИЯ


Модель RG-900V5

Общая спецификация модели

Усилие зажима: 900 тонн
Высота матрицы: 400-950 мм
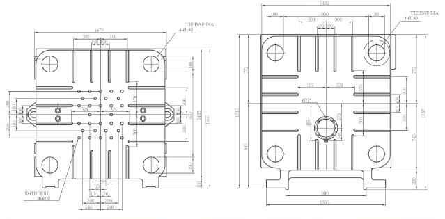
Световой просвет между колоннами: 950х950 мм
Макс. вес отливки: 10.7 кг
Макс. площадь отливки: 2088 см2
Максимальная установленная мощность: 45 кВт


Особенности модели

Модель RG-900 отличается полной автоматизацией оборудования и его компонентов, оснащена система инжекции замкнутого типа. обеспечивающей высокое качество отливок и эффективность производства. Гидравлическая система энергосбережения про-ва компании Rexroth,  Германия (опция)


ОБОРУДОВАНИЕ ДЛЯ ЛИТЬЯ ПОД ДАВЛЕНИЕМ


Подштамповая плита

ОБОРУДОВАНИЕ ДЛЯ ЛИТЬЯ ПОД ДАВЛЕНИЕМ


Особенности литьевого оборудования

  • Система отображения усилия зажима на дисплее
  • Система отображения температуры пресс-формы на дисплее с магнитным сенсорным датчиком
  • Система отображения скорости впрыска и давления кривой
  • Система смазки опоры плунжера
  • Электрический двигатель для регулировки скорости инжекционного клапана (Япония)
  • Сенсор хода бесконтактного впрыска (Швеция)
  • Ход инжектора с датчиком измерения потенциала (Германия)
  • Скорость значения инжекции отображается на мониторе (Япония, Panasonic)
  • Пневматическая система ( Германия)
  • Датчик давления (Германия)


Стандартная комплектация литьевой машины:

  • Защитная дверь
  • Инструмент для наладки и технического обслуживания
  • Руководство по эксплуатации на русском языке
  • Зажимные приспособления
  • Фундаментные приспособления
  • Впрыскивающий рукав
  • Наконечник плунжера
  • Сальники
  • Кабель разливного ковша
  • Чаша разливного ковша
  • Распылительные трубки устройства смазки пресс-форм
  • Фотоэлектрический датчик (сенсор) съемщика отливок
  • Кулачковый переключатель съемщика отливок
  • Плунжер


Особенности литьевой машины

Система инжекции
ОБОРУДОВАНИЕ ДЛЯ ЛИТЬЯ ПОД ДАВЛЕНИЕМ

Максимальная скорость впрыска до 5 м/сек. Отдельное ускорение на 2-ю фазу и усилитель впрыска. Контроль 1-й фазы при помощи пропорционального клапана (опция). Положение инжекции (впрыскивания) и инжекционное усилие контролируются сенсорным датчиком.


Система очистки гидравлического масла
ОБОРУДОВАНИЕ ДЛЯ ЛИТЬЯ ПОД ДАВЛЕНИЕМ

Для обеспечения бесперебойной работы и стабильности гидравлической системы давления, чистка гидравлического масла является очень важной. Постоянный фильтр очистки продлевает срок службы масла и обеспечивает стабильность рабочих операций.


Система распыления (инжекции)
ОБОРУДОВАНИЕ ДЛЯ ЛИТЬЯ ПОД ДАВЛЕНИЕМ

Хорошо спроектированная система пневматического контроля инжекцией может контролировать повышение/разбрызгивание контуров, движение литейных форм, время и поток распыления.



Индикация усилия зажима
ОБОРУДОВАНИЕ ДЛЯ ЛИТЬЯ ПОД ДАВЛЕНИЕМ

Индикатор усилия зажима пресс формы способен определять и считывать вес отливки, определяя точность готовой продукции, увеличивая срок службы оборудования. Во избежание проблем с неправильной эксплуатацией оборудования, каждые 800 тонн индикатор определяет и отображает усилие зажима


Выталкивающий механизм пресс-форм
ОБОРУДОВАНИЕ ДЛЯ ЛИТЬЯ ПОД ДАВЛЕНИЕМ

Наладка и замена габаритных пресс-штампов требует значительного времени. Использование выталкивающего устройства может значительно уменьшить время на установку и наладку пресс-формы, что увеличивает эффективность и производительность оборудования



Образцы производимых отливок

ОБОРУДОВАНИЕ ДЛЯ ЛИТЬЯ ПОД ДАВЛЕНИЕМ
Корпуса светильников для уличного освещения
(кликнуть для увеличения фото)
ОБОРУДОВАНИЕ ДЛЯ ЛИТЬЯ ПОД ДАВЛЕНИЕМОБОРУДОВАНИЕ ДЛЯ ЛИТЬЯ ПОД ДАВЛЕНИЕМОБОРУДОВАНИЕ ДЛЯ ЛИТЬЯ ПОД ДАВЛЕНИЕМ


Технические характеристики литьевых машин с холодной камерой прессования

 НаименованиеЕдиницаRG-900V5
ЗАЖИМУзел управления программируемый контролер
сенсорный экран
Узел инжекции 3 фазы
Контроллер инжекции
замкнутого типа
 опция
Усилие зажиматонн900
Подштамповая плитамм1432x1432
Световой просвет
между колоннами
мм950x950
Ход пресс-формымм760
Высота пресс-формымм400-950
Индикатор
зажима пресс-формы
 стандартный
ИНЖЕКЦИЯУсилие инжекциитонн63
Коэффициент мультипликации 2.55
Ход инжекциимм680
Глубина проникания наконечника плунжерамм300
Положение инжекциимм-275
Давление инжекциикг/см2110-140
Макс. скорость инжекциим/сек.5
Доступный диаметр плунжерамм80/90/100
ВЫТАЛКИВАНИЕУсилие выталкиваниятонн36
Ход выталкиваниямм125
СЕРДЕЧНИК
(ПУАНСОН)
Пуансон №1 выпускнойдюйм х кол-во3/4 x 2 шт.
Пуансон №2 выпускнойдюйм х кол-во3/4 x 1 шт.
Пуансон №3 выпускнойдюйм х кол-во1/2 x 1 шт.
ПРОИЗВОДИТЕЛЬНОСТЬДиаметр плунжерамм8090100
Давление инжекциикг/см2600
1200
480
960
385
770
Площадь отливкисм21320
660
1660
830
2088
1040
Объем отливкисм3263533404120
Вес отливкикгс6.808.7010.70
СИСТЕМА
ОХЛАЖДЕНИЯ
Диаметр впускного штуцера подачи воды пресс-формыдюйм1. 1/4
Диаметр выпускного штуцера подачи воды пресс-формыдюйм2. 1/2
Диаметр впускного штуцера подачи гидравлической жидкости машиныдюйм1
Диаметр выпускного штуцера подачи гидравлической жидкости машиныдюйм1
Водяной кран неподвижной плитыдюйм х кол-во3/8 х 11 шт.
Водяной кран подвижной плитыдюйм х кол-во3/8 х 15 шт.
Расход гидравлической жидкостиЛ/мин100
Расход воды на охлаждение пресс-формыЛ/мин70-150
МОЩНОСТЬДвигателькВт45
НапряжениеВпеременный ток
220В/380В
Гидравлическая система энергосбережения опция
РАЗМЕРЫГабариты машиныДхШхВ, мм8580x2100x2660
Вес машинытонн39
Объем гидравлического масляного бакаЛ1800


Сборочный цех.
Литьевое оборудование, модель RG-900V5

ОБОРУДОВАНИЕ ДЛЯ ЛИТЬЯ ПОД ДАВЛЕНИЕМ

ОБОРУДОВАНИЕ ДЛЯ ЛИТЬЯ ПОД ДАВЛЕНИЕМ

ОБОРУДОВАНИЕ ДЛЯ ЛИТЬЯ ПОД ДАВЛЕНИЕМ

ОБОРУДОВАНИЕ ДЛЯ ЛИТЬЯ ПОД ДАВЛЕНИЕМ



СВЯЖИТЕСЬ С НАМИ:
ПОДПИСЫВАЙТЕСЬ НА НАС
© 2007 - 2026 Rost Group & Technology Co., Ltd. All rights reserved. 
(координатор и эксклюзивный представитель)
Обновить настройки файлов cookie